PPR TRANSITION HEXAGON FEMALE - SDR 6 – THREADED
Couldn't load pickup availability
Ask an expert!
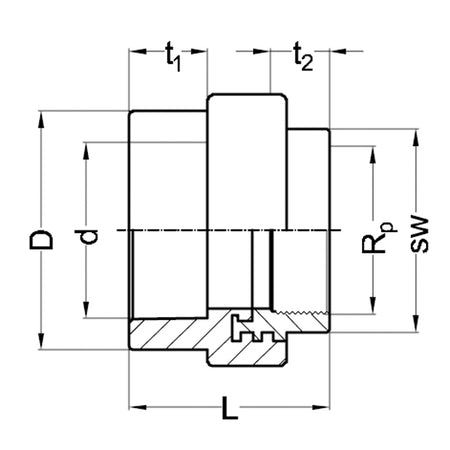
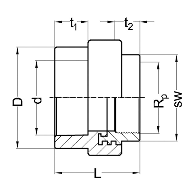
The PP-R Transition Hexagon Female fitting (SDR 6) is designed for secure and reliable connections between PP-R pipe systems and male threaded metal components. Manufactured from high-quality PP-R material, it ensures long service life, excellent pressure resistance, and hygienic performance for water supply installations.
The hexagon-shaped body allows easy installation and tightening using standard tools, providing precise handling and a secure fit. The female thread complies with EN 10226 (ISO 7) standards, ensuring a dependable and leak-tight connection. For optimal sealing and performance, the use of PTFE tape is recommended.
Suitable for drinking water, hot tap water, and sanitary applications.
| Article | d x Rp | L | t1 | t2 | D | SW | kg |
| 5155 28204 | 32 x 1″ | 60 | 18 | 22 | 61 | 39 | 0.24 |
| 5155 28205 | 40 x 1¼“ | 63 | 21 | 22 | 72 | 47 | 0.347 |
| 5155 28206 | 50 x 1½“ | 85 | 24 | 20 | 79 | 52 | 0.396 |
| 5155 28207 | 63 x 2″ | 75 | 28 | 25 | 95 | 66 | 0.612 |
| 5155 28208 | 75 x 2″ | 83 | 31 | 25 | 100 | 66 | 0.668 |
| 5155 28213 | 125 x 5″ | 124 | 40 | 44 | 208 | 149 | 0.383 |
Order by 2PM to get delivered next working day! We use 24 hours service with carriers in most cases so that you can get your order delivered on time.
Buy in bulk
| Variant | Quantity | Price | Total |
|---|---|---|---|
|
32 x 1″
14922_WEF-FTA32-1_515528204
|
|
||
|
40 x 1¼“
14923_WEF-FTA40-11/4_515528205
|
|
||
|
50 x 1½“
14924_WEF-FTA50-11/2_515528206
|
|
Product subtotal
