PPR TRANSITION TEE FEMALE SDR 6
Couldn't load pickup availability
Ask an expert!
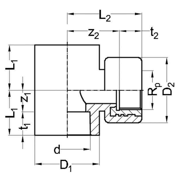
The PP-R Transition Tee Female is designed to connect PP-R piping systems with a female threaded metal outlet, allowing easy transition between plastic and metal connections. Manufactured from high-quality PP-R material, it ensures a strong, reliable, and long-lasting performance in hot and cold water applications.
The female thread is manufactured according to EN 10226 (ISO 7) standards, providing a secure and leak-proof connection. For optimal sealing, the use of PTFE tape is recommended.
Key Features:
-
SDR 6 pressure rating
-
Female threaded connection (EN 10226 / ISO 7)
-
Suitable for hot and cold water systems
-
Corrosion-free and hygienic
-
Compatible with complete PP-R piping systems
- 32 x 1″with hexagon for wrench
Ideal for residential, commercial, and industrial water supply installations.
| Article | d x Rp | L1 | t1 | z1 | L2 | t2 | Z2 |
| 5155 29301 | 20 x ½“ | 64 | 15 | 17 | 37 | 15 | 22 |
| 5155 29302 | 20 x ¾“ | 79 | 15 | 24 | 37 | 15 | 22 |
| 5155 29303 | 25 x ½“ | 65 | 16 | 16 | 38 | 15 | 23 |
| 5155 29304 | 25 x ¾“ | 79 | 16 | 24 | 37 | 15 | 22 |
| 5155 29305 | 32 x ¾“ | 60 | 18 | 12 | 50 | 15 | 35 |
| 5155 29306 | 32 x 1″ | 62 | 18 | 13 | 65 | 22 | 43 |
Order by 2PM to get delivered next working day! We use 24 hours service with carriers in most cases so that you can get your order delivered on time.
Buy in bulk
| Variant | Quantity | Price | Total |
|---|---|---|---|
|
20 x ½“
15018_WEF-FT20-1/2_515529301
|
|
||
|
25 x ½“
15020_WEF-FT25-1/2_515529303
|
|
||
|
32 x 1″
15024_WEF-FT32-1_515529306
|
Out of stock |
Product subtotal
