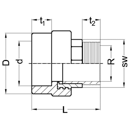
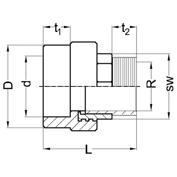
PPR TRANSITION HEXAGON MALE – SDR 6 – THREADED
Couldn't load pickup availability
Ask an expert!
The PP-R Transition Hexagon Male fitting (SDR 6) is engineered for secure and durable transitions between PP-R piping systems and metal threaded connections. Made from high-quality PP-R material, it delivers excellent strength, reliability, and hygienic performance for modern water supply installations.
The integrated hexagon body allows easy tightening with standard tools, ensuring precise installation even in confined spaces. The male thread is manufactured in accordance with EN 10226 (ISO 7), providing a tight and dependable connection. For optimal sealing and leak prevention, the use of PTFE tape is recommended.
This fitting is suitable for drinking water, hot tap water, and sanitary applications where long service life, safety, and consistent performance are essential.
| Article | d x R | L | t1 | t2 | D | SW | kg |
| 5155 29204 | 32 x 1″ | 79 | 18 | 20 | 53 | 32 | 0.24 |
| 5155 29205 | 40 x 1¼“ | 80 | 20 | 21 | 67 | 44 | 0.438 |
| 5155 29206 | 50 x 1½“ | 85 | 24 | 21 | 74 | 48 | 0.498 |
| 5155 29207 | 63 x 2″ | 95 | 28 | 24 | 90 | 60 | 0.711 |
| 5155 29208 | 75 x 2½“ | 110 | 31 | 24 | 98 | 65 | 1.033 |
| 5155 29209 | 90 x 3″ | 128 | 36 | 29 | 120 | 86 | 1.437 |
| 5155 29210 | 110 x 3″ | 128 | 42 | 29 | 147 | 86 | 1.643 |
| 5155 29211 | 110 x 4″ | 140 | 42 | 30 | 148 | 105 | 2.770 |
| 5155 29212 | 125 x 5″ | 170 | 40 | 42 | 208 | 149 | 5.250 |
Order by 2PM to get delivered next working day! We use 24 hours service with carriers in most cases so that you can get your order delivered on time.
Buy in bulk
| Variant | Quantity | Price | Total |
|---|---|---|---|
|
32 x 1″
14909_WEF-MTA32-1_515529204
|
|
||
|
40 x 1¼“
14910_WEF-MTA40-11/4_515529205
|
|
||
|
50 x 1½“
14911_WEF-MTA50-11/2_515529206
|
|
||
|
63 x 2″
14912_WEF-MTA63-2_515529207
|
Out of stock |
Product subtotal
